清纯少女全国空降免费观看

接代惠臨長沙孩子的智力電子器件無限工司公司官網,你們真誠為您業務,全天下業務電話:13531822098,等待時間您的來電咨詢!
智能科技 力主將來
天下網詢問電話:

13531822098

產物展現

費用詢問電活13531822098

接洽咱們

智力電子無限公司
微 信:13531822098
Q   Q:735229478
E-Mail:735229478@qq.com
網 址: www_jzjiyu_com.xrvswm.cn
中山智力電子裝備無限公司
德律風:0760-22229108
地點:中山市小欖鎮同興西路2號
湖南智力機電無限公司
德律風:+86-736-3297058
傳真:+86-736-3297058
地點:湖南省常德市澧縣立異創業園A6棟

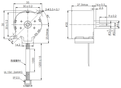
35BYJ412->步進機電

產物尺寸PRODUCT SIZE

Model

Rated Voltage

(DCV)

Resistance

Ω

/

Phace

(at25℃)

Max

Freeload

Pull-in Frequency

(PPS)

Max

Freeload

Pull-out Frequency

(PPS)

Pull-in Torque

(mN.m)

Operation Frequency

(PPS)

Detent Frequency

(PPS)

Tempera

-turePise

(K)

Noise

(dB)

Step

Angle

(1-2

phase)

Insulation

Class

35BYJ412 12 50 ≥350 ≥800 ≥147 100 ≥68.8 ≤60 ≤40 3.75/42.5 E


利用規模APPLICATION RANGE

空調、監控器、舞臺燈光、智能馬桶、醫療機器等.

一直在線客戶服務熱線
微旌旗燈號:13531822098


二維碼

掃一掃,手機網站

分享